Zum Hauptinhalt springen Zur Suche springen Zur Hauptnavigation springen
versandkostenfrei ab 70,-€
Mehr als 50 Top-Marken
30 Tage Widerrufsrecht*

BMH PANIK-EINSTECKSCHLOSS 1013 PZ 65/9/72MM Re FKT. "D" STULP 24MM RUND VERZINKT

Produktinformationen

"BMH PANIK-EINSTECKSCHLOSS 1013 PZ 65/9/72MM Re FKT. "D" STULP 24MM RUND VERZINKT"

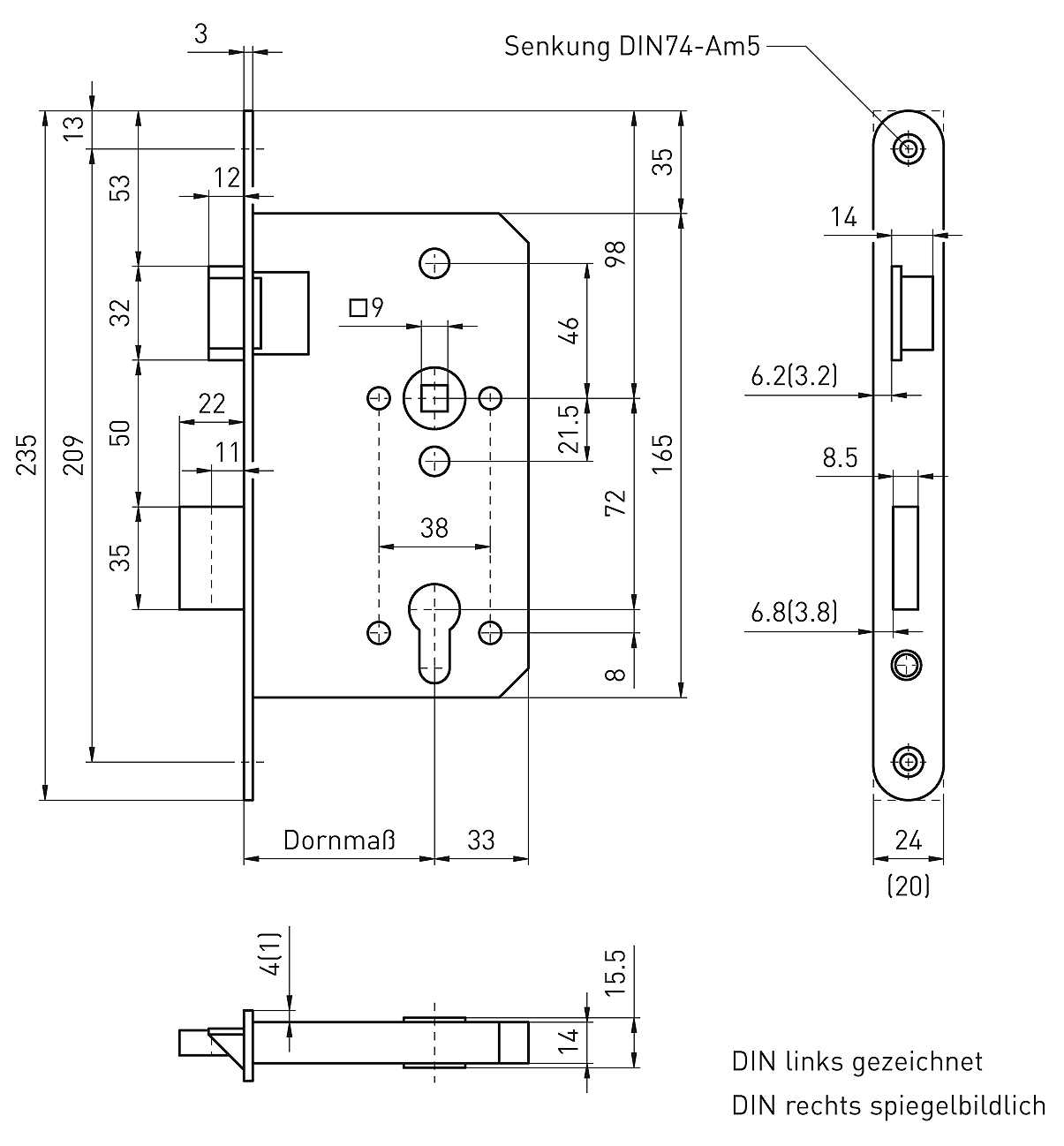
Das BMH Panik-Einsteckschloss 1013 PZ in DIN-Rechts-Ausführung mit Funktion D ist für den Einbau in Flucht- und Rettungswegen konzipiert. Die Panikfunktion D ermöglicht die sichere Notöffnung durch Drücken des Drückers von der Innenseite – der Riegel wird dabei automatisch zurückgezogen.

  • Panikfunktion: Funktion D (Drückerbetätigung zieht Falle und Riegel zurück)
  • Anschlagrichtung: DIN Rechts
  • Dornmaß: 65 mm
  • Entfernung: 72 mm
  • Nuss: 9 mm
  • Stulpbreite: 24 mm (rund), verzinkt

Für den Einsatz in Flucht- und Rettungswegen gemäß DIN EN 179/1125 konzipiert.

PRODUKTDETAILS

Produkteigenschaften 
Eigenschaftenset Einsteckschlösser
Stulplänge 235 mm
Stulpbreite 24 mm
Stulpform rund
Ausführung Panikfunktion D
Typ 1013 PZW
Lochung Profilzylinder (PZ)
Entfernung 209 mm
Dornmaß 65 mm
Vierkant / Nuss 9 mm
Anschlagrichtung R
 

Adresse des Herstellers:

Beyer & Müller GmbH
Am Lindenkamp 55
42549 Velbert
https://www.beyer-und-mueller.de/
Loading...
Dateien werden hochgeladen, bitte warten...